逆向工程学习-PE文件格式
PE文件格式
介绍:
PE文件是windows操作系统下的可执行文件的统称,一般指的是32位文件,64位文件称为【PE32+】
文件种类:
| 种类 | 文件 |
|---|---|
| 可执行文件 | EXE, SCR |
| 库系列文件 | DLL, OCX, CPL, DRV |
| 驱动程序 | SYS, VXD |
| 对象文件 | OBJ |
PE文件基本结构:
文件组成
PE头+PE体
PE头:DOS头;DOS存根;NT头;节区头【text(代码);data(数据);rsrc(资源)】
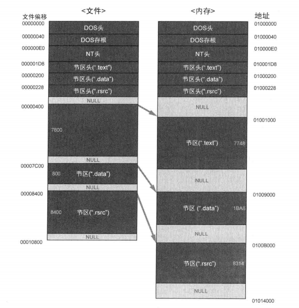
PE头与各节区的尾部存在一个【NULL填充】区域:

VA & RVA:
1.VA:进程虚拟内存的绝对地址
2.RVA:从某个基准位置开始的相对地址
(虚拟内存:在32位的Windows中,各个进程分配4GB的虚拟内存,所以VA的范围【00000000~ffffffff】)
PE内部信息大多数以RVA形式存在,这样方便地址重定位
PE头:
DOS头
1.起源:微软在创建PE文件时,DOS广泛使用,所以在PE头前面加了一个IMAGE_DOS_HEADER结构体,内容如下。

2.结构体大小共64字节,有两个重要成员【e_magic & e_lfanew】。
e_magic:DOS签名,对应的是字符===>”MZ”
e_lfanew:指示NT头的偏移,不同的文件值也不一样。

这里看出最后就是e_lfanew的值是 00 00 00 B0(小端序)
DOS存根
在dos头下面,大小不固定,有没有都行,由代码和数据混合而成

代码的作用就是在你用DOS运行时出现后面那句话
NT头(IMAGE_NT_HEADER)
NT头又名”文件头“,是表现文件大致属性的“IMAGE_NT_HEADER”结构体
内涵3个成员,总共大小为0xF8:(根据DOS头指出的偏移可以找到)


第一个成员是签名结构体:值为【50 45 00 00】=====>’PE‘
第二个成员是文件头结构体===>IMAGE_FILE_HEADER
第三个成员是可选头结构体===>IMAGE_OPTIONAL_HEADER
文件头结构体(IMAGE_FILE_HEADER)
表现文件大致属性 IMAGE_FILE_HEADER结构体


对应着如下结构体

内涵四个重要成员:Machine,NumberOfSections,SizeOfOptionalHeader,Characteristics
(程序能否运行的关键)
Machine:每个CPU都有唯一的Machine码

这里看到我的CPU对应的机器码是:0x014C
- NumberOfSections
指出文件中存在节区的数量,一定要大于零。定义与实际不符会运行失败
看上图知道应该是”05“
- SizeOfOptionalHeader
指出NT结构体最后一个成员【IMAGE_OPTIONAL_HEADER32】的结构体长度,64位和32位不同。
- Characerristics
用于标记文件属性。即文件是否是可运行状态,是否是DLL文件等信息,通过bit OR形式组合起来。

注:Characteristics的值有可能是【0002h】(不可执行),比如obj文件和resource DLL文件。
这里SYS文件时0x1000
可用于区分不同的文件类型
可选头结构体(IMAGE_OPTIONAL_HEADER32)
特点:PE头结构体中最大的结构体:

关键成员,出错文件将无法运行:Magic,AddressOfEntryPoint,ImageBase,SectionAlignment,FileAlignment。

对应着如下节选的结构体

- Magic:在32位中,Magic码是10B,64位是20B;这里显然是一个32位程序
AddressOfEntryPoint:拥有EP和RVA的值,该值指出程序最先执行的代码起始地址
ImageBase:当PE文件装入内存时,指出文件 的优先装入地址
Tips:EXE,DLL文件一般装载到用户内存的0~7fffffff中,SYS文件载入内核内存的80000000~ffffffff里;在执行PE文件时,PE装载器事先创建进程,文件载入内存,设置EIP的值为
SectionAlignment,FileAlignment:PE文件的PE体部分划分不同区节,存储着不同类别的数据,FileAlignment指定了节区在磁盘文件中的最小单位;SectionAlignment指定了节区在内存中的最小单位;在一个文件中,二者的值不一定相等,但是节区的大小必然是SectionAlignment或FileAlignment的整倍数。
SizeOfImage:指定了PE Image在虚拟内存中所占的大小
- SizeOfHEADER:指出整个PE头的大小,该值一定是FileAlignment值的整数倍。第一节区所在位置与SizeOfHEADER距离文件开始的偏移量相同
- Subsystem:该值用来区分系统驱动文件和普通的可执行文件。
| 值 | 含义 | 备注 |
|---|---|---|
| 1 | Driver文件 | 系统驱动(如:ntfs.sys) |
| 2 | GUI文件 | 窗口应用程序(如:记事本.exe) |
| 3 | GUI文件 | 控制台应用程序(如:CMD.EXE) |
- NumberOfRvaAndSizes:指定结构体:IMAGE_OPTIONAL_HEADER32最后一个成员数组的个数,虽然明确指出时16,但是也不一定
- DataDirection:IMAGE_OPTIONAL_HEADER32最后一个成员;由IMAGE_DATA_DIRECTORY结构体构成的数组,每一项都有被定义的值:

节区头(IMAGE_SECTION_HEADER)
组成:由IMAGE_SECTION_HEADER结构体组成的数组,每个结构体对应一个节区。
作用:定义了各节区的属性

结构体:

重要成员:
| 项目 | 含义 |
|---|---|
| VirtualSize | 内存中节区所占大小 |
| VirtualAddress | 内存中节区起始地址 |
| SizeOfRawData | 硬盘中节区所占大小 |
| PointerToRawData | 硬盘中节区起始地址 |
| Characteristics | 节区属性 |
Tips:VA和PointerToRawData不带有任何值,分别由IMAGE_OPTIONAL_HEADER32结构体中的SectionAlignment和FileAlignment定义;SizeOfRawData和VirtualSize的值一般不同
Characteristic由以下的值组合而成:

Ps:当PE文件加载到内存时,不是原封不动的加载,而是根据节区头中定义的节区起始地址,节区大小等加载,所以在磁盘里的PE文件和在内存中的PE文件具有不同的形态,这一过程称为“映像”(image)
RVA to RAW
是什么:
PE文件加载到内存时,每个节区都要能准确完成内存地址与文件偏移间的映射。这一过程称为RVA to RAW(文件偏移)。
计算方法:
公式:
RAW-PointerToRawData=RVA-VA
RAW=RVA-VA+PointerToRawData
例题:

1.当RAV(相对地址)= 5000时,File Offset = ?
已知RAV=5000在.text节区,且ImageBase=01000000,根据
- RAW=RVA-VA+PointerToRawData
RAW=5000-1000+400=4400
IAT(Import_Address_Tables)
介绍:
IAT:Import_Address_Tables,导入地址表)是一个用来记录程序正在使用哪些库里的哪些函数的表格
DLL(动态链接库):
优点:
1.不需要把库包含到程序中(C语言就需要提前导入库),需要时调用即可。
2.可以在多个进程中共享。
3.更新库时只需要替换相关的DLL文件。
加载方式:
1.显示链接:程序使用时加载,使用完毕后释放内存。
2.隐式链接:程序开始时一同加载DLL,程序终止时释放内存。(IAT提供的机制与隐式链接有关)
IMAGE_IMPORT_DESCRIPTOR(IID):
也被称为IMPORT Directory Table
该结构体记录着PE文件要导入哪些库文件。(Import:导入,向库提供服务(函数);Export:导出,由库向PE文件提供服务(函数))

1.执行一个程序需要许多库,导入多少库,就有多少这种结构体,这些结构体构成一个数组,该数组以NULL结构体结束。
2.重要成员:OriginalFirstThunk: 是INT的地址(RVA),Name:库名称字符串的地址(RVA),FirstThunk:IAT的地址 RVA。
- INT===>IMPORT NAME TABLE;IAT===>IMPORE ADDRESS TABLE(table:数组)
- INT与IAT是长整型数组,以NULL结束
- INT中个元素的值为IMAGE_IMPORT_BY_NAME结构体指针
- INT IAT大小应相同

PE装载器把导入函数输入至IAT的顺序

尝试找到IID结构体
1.该结构体不在PE头中,他存在于PE体中,但是他的位置在PE头中
2.位于:IMAGE_OPTIONAL_HEADER32.DataDirectory[1].VritualAddress;这便是结构体的起始地址
EAT
介绍:
1.EAT是一种核心机制,可以让不同的程序调用库提供的函数。只用通过EAT才能准确求得从相应库中导出函数的起始地址。
2.PE文件特有的结构体image_export_DIRECTORY保存着导出信息。并且PE文件中仅有一个用来说明库EAT的结构体
【用来说明IAT的结构体IMAGE_IMPORT_DESCRIPTOR以数组的形式存在,拥有多个成员,这样PE文件可以同时导入多个库】
IMAGE_EXPORT_DIRECTORY:
结构体如下

重要成员:
| 项目 | 含义 |
|---|---|
| NumberOfFunctions | 实际的Export函数的个数 |
| NumberOfNames | Export函数中具名的函数个数 |
| AddressOfFunctions | Export函数地址数组(元素个数等于表中第一个项目) |
| AddressOfNames | 函数名称的地址数组(元素个数等于表中第二个项目) |
| AddressOfNameOrdinals | Ordinal地址数组(元素个数等于表中第二个项目) |
Ordinals:导出函数的固有编号。因为有的函数没有函数名,只有一个编号

GetProcAddress():
作用
从库中获得函数地址,该API引用EAT来获取指定的API的地址
原理
通过引用EAT来获取指定API的地址

总结
1.PE规范只是一种规范,仅此而已。
2.PE头并非一成不变,而是灵活度极高。
